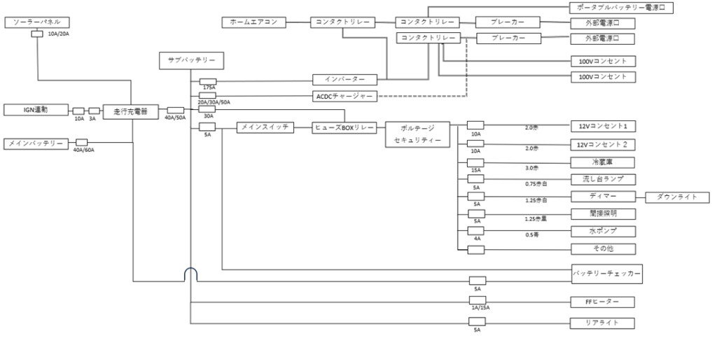
基本配線概略図2025

概念を表しているため実体とは異なります。
この図にはオプションが含まれています。
予告なく変更することがあります。

電気設備の改造は火災などの原因となる可能性があり大変危険です。
【標準搭載車種】
【オプション搭載車種】
【 Q & A 】
~
ANNEX Campingcar Instructions Archive

概念を表しているため実体とは異なります。
この図にはオプションが含まれています。
予告なく変更することがあります。

電気設備の改造は火災などの原因となる可能性があり大変危険です。