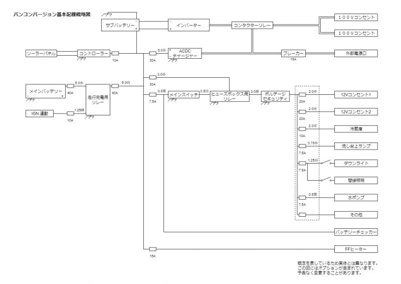
基本配線概略図B011001 投稿日: 2018年9月18日 2023年8月11日 投稿者: admin カテゴリー: 配線図, 電装 タグ: Canele, COMPOSER ER with FAMILY, COMPOSER HR with FAMILY, COMPOSER SS, COMPOSER SS-ER, FAMILY WAGON, FAMILY WAGON SGL, FAMILY WAGON SS, FAMILY WAGON SS 2021, FAMILY WAGON SS-ER, RICORSO, RICORSO 2020(旧Limited), RIW200, UTONE200バンコンバージョン配線図概念を表しているため実体とは異なります。この図にはオプションが含まれています。予告なく変更することがあります。 【標準搭載車種】【オプション搭載車種】【 Q & A 】【 注意・特記事項 】【 適用期間 】~投稿ナビゲーション前 過去の投稿: メインスイッチ次 次の投稿: FFヒーター Air Top Evo 40 admin 275RSS