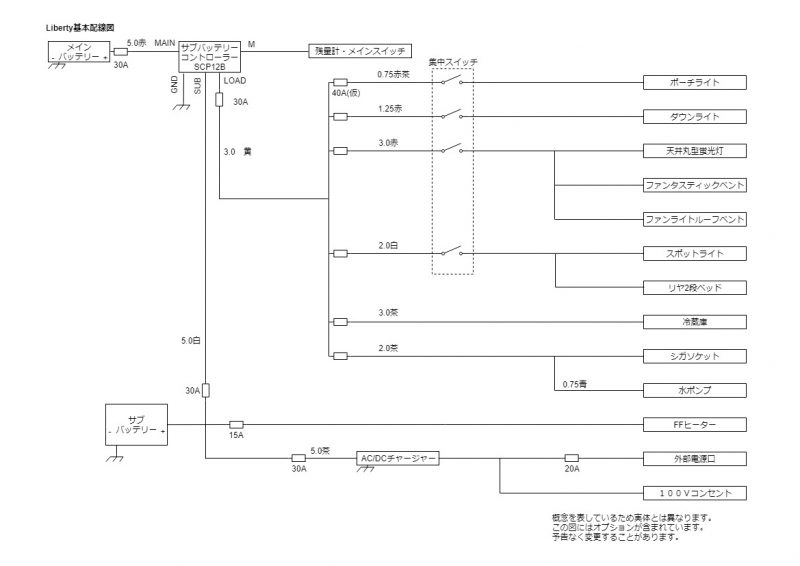
基本配線概略図B011004 投稿日: 2018年8月31日 2019年8月30日 投稿者: admin カテゴリー: 配線図, 電装 タグ: LIBERTY FS, LIBERTY NS-WLiberty配線図概念を表しているため実体とは異なります。この図にはオプションが含まれています。予告なく変更することがあります。 【標準搭載車種】【オプション搭載車種】【 Q & A 】【 注意・特記事項 】【 適用期間 】~投稿ナビゲーション前 過去の投稿: ヒューズの位置次 次の投稿: 冷蔵庫7リットル admin 250RSS